Download Pinbelegung des audio buchsenanschlusses Images Library Photos and Pictures.
Einstieg In Die Verwendung Von Usb C Zur Stromversorgung Digikey
Einstieg In Die Verwendung Von Usb C Zur Stromversorgung Digikey
4mm Bananensteckerbuchse Buchsenanschluss Audio Lautsprecher Verstarkeranschlussklemme Pfostenmutter Bananensteckerbuchse Audio Buchse 10 Packs Schwarz Rot Amazon De Baumarkt
4 Stuck Geflochtener Kabelstecker Draht Lautsprecher Amazon De Elektronik
2 Sets 2 Pin 1j0971972 Auto Audio Lautsprecher Buchse Kabel Stecker 1j 0 971 972 Fur Vw Stamm Audi Kabel Adapter Und Buchsen Aliexpress
Der Bastelbunker Die Basteldoku Yaesu Ft270r Pin Diodentausch Und Hi Lo Schalterwechsel Sowie Umbau Von Pl Kabel Auf Bnc Buchsenanschluss
China Automotive Wire Harness Female Terminal Audio Radio Pin Parts Connector China Connector Auto Connector
Vag 2x2 Pin Diagnose Adapter Auf Kts Standard Buchsenanschluss Gunstig Kaufen Ebay
2er Stuck Trs Stecker 3 Poliger Amazon De Elektronik
Iso Autoradio Steckerbelegung Auto Hifi Tobias Albert
Iso Autoradio Steckerbelegung Auto Hifi Tobias Albert
Inassen 3 5mm Klinke Adapter Fur Pc Headset Adapter 2 Amazon De Elektronik
Grosshandel 5 Satz 4 Pin 1 5 Mm Series Automotive Anschluss Auto Stecker Mit Terminal Stecker Dj7045a 1 5 21 Von Lvkuang520 5 41 Auf De Dhgate Com Dhgate
Arceli 1220pcs 2 54 Mm Jst Xhp 2 3 4 5 6 7 8 Amazon De Elektronik
Vimmor 4 Stuck Nakamichi Lautsprecher Bananenstecker Amazon De Elektronik
4pcs Bananenstecker Lautsprecherkabel Reiner Amazon De Elektronik
Grosshandel 4 Pin Stecker Wasserdicht Autoautomobilverbinderstecker Generator Einzelpumpeneinlass Drucksensor Dj70411y 2 2 21 Von Lvkuang520 5 45 Auf De Dhgate Com Dhgate
Din Audio Stecker Belegung Hifi Klassiker Hifi Forum
Pcl101212e Flachbandkabel 20 M Mit Idc 20 Pin Stecker Advantech
China Automotive Wire Harness Female Terminal Audio Radio Pin Parts Connector China Connector Auto Connector
Grosshandel 5 Satz 4 Pin Hinten Sauerstoff Sensor Stecker Kfz Stecker Auto Stecker Dj7043y 2 2 11 21 Von Lvkuang520 9 21 Auf De Dhgate Com Dhgate
China Automotive Wire Harness Female Terminal Audio Radio Pin Parts Connector China Connector Auto Connector
Iso Autoradio Steckerbelegung Auto Hifi Tobias Albert
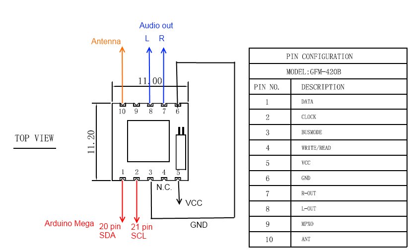
Tea5767 Philips Programmable Low Power Fm Stereo Radio Module For Arduino Arduiner Arduino Components Shop
Baseus 3 In 1 Audio 3 5mm Kopfhorer Lightning Lade Adapter Schwarz Lightning Kopfhorer Adapter Esons
Bedienungsanleitung Humax Pr Hd2000c Pdf 1 6 Unitymedia
Iso Autoradio Steckerbelegung Auto Hifi Tobias Albert
Moborest 1 8 3 5 Mm Trs Stereo Auf Xlr 3 Pin Stecker Mikrofonkabel Sind Ideal Fur Den Anschluss Der Stereo Ausgang Des Tragbarer Cd Player Walkman Camcorder Etc An Einen Einzigen Xlr Line Eingang Auf Einem Mischpult 1 5m 5ft
100 Stucke 000979150e Crimp Buchsenanschlusse Pins Fur Vw Tyco Te Auto Automotive Wasserdichte Steckverbinder Vw Skoda Sitz Reparatur Draht Female Terminal Crimp Terminalcrimp Pin Terminals Aliexpress
Sockel Fur Integrierte Schaltkreise Pga Sockel Pga Pin Sockel Pga Sockel Steckverbinder Pga Adapter Pin Grid Array Sockel Hersteller In China
Einstieg In Die Verwendung Von Usb C Zur Stromversorgung Digikey
L3 3 Audio Amplifier Und Hi Fi Versta Rker
Lm386 Verstarker Verstarkt Nicht Antworten Hier
So Aktivieren Sie Die Hintere Mikrofonbuchse Das Bedienfeld Fur Den Windows Kopfhorer Funktioniert Nicht Der Sound Funktioniert Nicht Im Richtigen Modus
Jvc Dt V20l1dea V24l1d Dt V20l1d User Manual V20l1dea V20l1deb V24l1dea V24l1deb Lct2203 001c Ge
81 Pin Buchse Auto Ecu Stecker Mit Pin 368376 1 Elektrische 81 Pin Ecu Stecker 1j0906385c 1j0 906 385c Fur Vw Audi Bmw Usw Connector Ecu Connectors Audiconnector Bmw Aliexpress
Grosshandel Dj7041y 2 2 4 8 11 21 Weibliche Und Mannliche 4 Pin Auto Stecker Elektrische Plastikeinfassung Draht Automotive Anschluss Von Lvkuang520 8 44 Auf De Dhgate Com Dhgate
Baseus Game 3 In 1 Audio 3 5mm Headset Lightning Adapter Mit Rgb Leds Lightning Kopfhorer Adapter Esons
Grosshandel 5 Satz 3 Pin Buchse Kfz Anschluss Auto Stecker Mit Terminal Dj7037f 2 2 21 Von Lvkuang520 4 85 Auf De Dhgate Com Dhgate
40 Pin Ecu Stecker 038 906 379 B Zundung Kabelbaum Stecker Mit Pin 40 Pins Ecu Stecker 038906379b Fur Vw Audi Bmw Usw Aliexpress
Vimmor 4 Stuck Nakamichi Lautsprecher Bananenstecker Amazon De Elektronik
5 Sets 5557 5569 4 P Biegen Pin Drahtklemmen Elektrische Verbinder 4 2mm 4pin Rechtwinklig Stecker Jack Fur Auto Auto Pc Atx 4pin Wire Jack Plug Connectorwire 4pin Aliexpress
Seitenindex Shenzhen Antenk Electronics Co Ltd
Grosshandel 5 Satz 3 Pin Automobil Anschluss Kunststoff Schale Weiss Auto Stecker Mit Terminal Dj7036 0 7 11 21 Von Lvkuang520 7 56 Auf De Dhgate Com Dhgate
Usb Socket Connector Stecker 15 Pin Ausloser Controller Adapter Fur Sony Ebay
Jvc Gm F420sec F520s Gm F470s Gm F420s User Manual F420sec F470sec Lct2506 002a H Ge
Jvc Dt V17g1ea V17g1 Ge User Manual Lct2594 001b H Ge
Grosshandel 5 Satz 4 Pin 1 5 Mm Series Automotive Anschluss Auto Stecker Mit Terminal Stecker Dj7045a 1 5 21 Von Lvkuang520 5 41 Auf De Dhgate Com Dhgate
Pcl101201e Flachbandkabel 10 M Mit Idc 20 Pin Stecker Advantech
Grosshandel 4 Pin Stecker Und Buchsen Auto Stecker Wasserdichte Stecker Automobilsauerstoffsensor Steckverbinder Mit Anschluss Dj7049 2 2 11 21 Von Lvkuang520 5 51 Auf De Dhgate Com Dhgate
Sunrise Business Customers Dokumentname Schulungsdokument Deskphones Martin Range Version V1 0 Verfasser Pdf Free Download
Einstieg In Die Verwendung Von Usb C Zur Stromversorgung Digikey
Echtholzgehause Weiss Audio Pro Addon T5 Bluetooth Stereo Lautsprecher Ahwazna Net
Grosshandel Sets 5 4 Pin Auto Anschluss Automobil Anschluss Sauerstoff Sensor Mit Stecker Stecker Und Kabeldose Dj703 1a 3 5 11 21 Von Lvkuang520 7 02 Auf De Dhgate Com Dhgate
Nie Dagewesenen Qualitat Produktinfo Conrad Com
Grosshandel Sets 5 3 Pin Auto Ventilator Stecker Weiblicher Und Mannlicher Auto Stecker Mit Terminal Dj7031 4 8 11 21 Von Lvkuang520 6 3 Auf De Dhgate Com Dhgate
Consumer Connectors Lieferant Von Elektronischen Komponenten
Grosshandel 5 Satz 4 Pin Buchse Und Stecker Kabel Auto Stecker Kfz Stecker Stecker Weissen Kunststoff Steckverbinder Terminal Dj7044y 1 8 11 21 Von Lvkuang520 3 95 Auf De Dhgate Com Dhgate
Grosshandel 5 Satz 4 Pin Buchse Und Stecker Kabel Auto Stecker Kfz Stecker Stecker Weissen Kunststoff Steckverbinder Terminal Dj7044y 1 8 11 21 Von Lvkuang520 3 95 Auf De Dhgate Com Dhgate
Jvc Dt V17g1ea V17g1 Ge User Manual Lct2594 001b H Ge
Grosshandel Sets 5 3 Pin Auto Stecker Kfz Steckverbinderbuchsenstecker Zundspule Zundspule Steckverbinder Stecker 2 2 21 Dj70311y Von Lvkuang520 4 25 Auf De Dhgate Com Dhgate
Elektronische Bauelemente 220r 1w Resistor 5 Carbon Compression Uk Made Pk 100 Business Industrie Aacs In
2 Sets 2 Pin 1j0971972 Auto Audio Lautsprecher Buchse Kabel Stecker 1j 0 971 972 Fur Vw Stamm Audi Kabel Adapter Und Buchsen Aliexpress
10 Pin 1048139 Aussenspiegel Rechts Mitsubishi Pajero Iv Typ V80 Bj 07 Elek Aussenspiegel Zubehor
Tv Audio Von Ancable Bei I Love Tec De
Grosshandel 5 Satz 4 Pin Weibliche Und Mannliche Elektro Gehause Kfz Stecker 4 Pin Buchse Auto Anschluss Dj3041 2 3 11 21 Von Lvkuang520 5 68 Auf De Dhgate Com Dhgate
3 5 Mm 1 8 Trs Stereo Stecker Auf Dual Xlr 3pin Weibliche Y Splitter Kabel Eur 6 32 Picclick De
81 Pin Buchse Auto Ecu Stecker Mit Pin 368376 1 Elektrische 81 Pin Ecu Stecker 1j0906385c 1j0 906 385c Fur Vw Audi Bmw Usw Connector Ecu Connectors Audiconnector Bmw Aliexpress
Proionta Kalwdia Zipy Aples Agores Apo Ebay
Jvc Dt V20l3g V24g1 Dt User Manual V20l3g V24g1 Lct2589 001c H
Sony Bravia Kdl 50wf6 Series Bedienungsanleitung Pdf Herunterladen Manualslib
Headphone Audio Microphone Mic In Splitter To Pc Adapter Cable For Razer Electra Ebay
Neewer 6 5 Fuss 2 Meter Dmx Buhnen Licht Kabel Drahte Mit 3 Pin Signal Xlr Stecker Auf 5 Pin Buchse Anschluss Fur Bewegendes Hauptlicht Par Licht Scheinwerfer Mit Xlr Ein Und Ausgange Amazon De Musikinstrumente
Jvc Dt V20l1dea V24l1d Dt V20l1d User Manual V20l1dea V20l1deb V24l1dea V24l1deb Lct2203 001c Ge
Jvc Dt V17g1ea V17g1 Ge User Manual Lct2594 001b H Ge
Reparatur Des Playstation 4 Ps4 Hdmi Display Anschlusssteckers Eur 6 00 Picclick De
Windows 7 Audioausgabegerat Andern So Geht S Chip
China Icsockets Ic Socket Steckverbinder Dip Sockel Und Adapter Pin Ic Sockel Ic Sockel Und Stecker Integrierte Schaltkreisbuchsen Sip Sockel Und Adapterhersteller
L3 3 Audio Amplifier Und Hi Fi Versta Rker
Audio Mehr Als 10000 Angebote Fotos Preise Seite 173
Seitenindex Shenzhen Antenk Electronics Co Ltd
Trs Direct The Best Amazon Price In Savemoney Es
Baseus 3 In 1 Audio 3 5mm Kopfhorer Lightning Lade Adapter Schwarz Lightning Kopfhorer Adapter Esons
Dinminipinbuchse Audiojackanschluss Fur Tastatur Maus
Marmitek Audio Anywhere 625 Extra Receiver Cinch Stereo Funkubertragung Ebay
Cat5 Audio Video Matrix Switch Rj45 Mehrere Computer 305 Meter
Jvc Dt V17g1ea V17g1 Ge User Manual Lct2594 001b H Ge
Bedienungsanleitung User Manual Pdf Free Download
Jst Der Beste Preis Amazon In Savemoney Es
Jvc Dt V17g1ea V17g1 Ge User Manual Lct2594 001b H Ge
Audi A4 B7 Pinbelegung Mit Farblcher Kennzeich Der Kabel Die Aus Dem Quadlookstecker Car Hifi Anschluss Verkabelung Und Stromversorgung Hifi Forum



Comments
Post a Comment